Camera Image
thumb1 thumb2 thumb3 thumb3

VEN-161-61U3C-M01

1/2.9", 61.2FPS, 1440×1080, COLOR, GLOBAL SHUTTER, IMX296, USB3.0

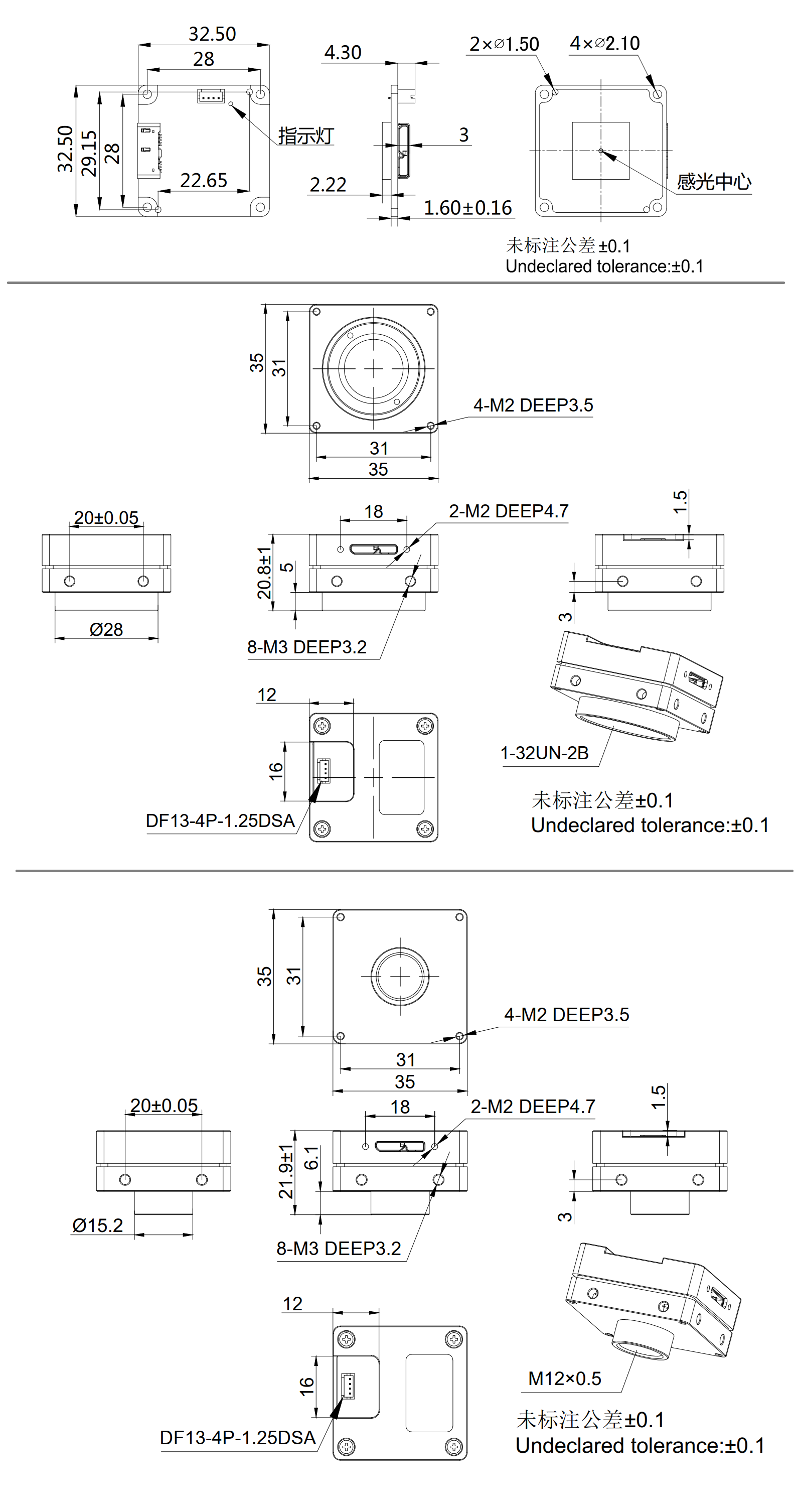
The VEN-161-61U3C camera is a color all-in-one board level camera with the Sony IMX296 CMOS sensor. The VEN-161-61U3C provides four lens mount options: C mount with housing, S mount with housing, CS mount with housing and No mount (bare board).

Thanks to the extremely compact housing and various mount options, the VEN-161-61U3C is more flexible in demanding space.

  • USB3.0(Micro B)interface with 10-bit or 8-bit Bayer output
  • Gain, auto gain, exposure and auto exposure
  • Supports white balance, auto white balance and light source preset function
  • Storable user sets
  • Support Reverse X/Y (horizontal and vertical mirroring)
  • Support hardware trigger and software trigger
  • 16KB data storage area for saving algorithm coefficients, parameter configuration, and so on

VEN-161-61U3C-M01 - Spectral Response

Spectral Response Graph